Alkatrészt keresel, de nem találod? Küldd el e-mailben az adattábla fotóját és segítünk megkeresni a megfelelő alkatrészt.

Vaszkoshop.hu

Kérdésed van? Írj nekünk!  info@vaszkoshop.hu 

Rendelés módosítása munkanapokon 15:00-ig lehetséges!

Ügyfélszolgálat: 10:00-16:00-ig (munkanapokon)

Telefonon rendelést nem tudunk fogadni!

 

Kategóriák
Vaszkoshop.hu

Kérdésed van? Írj nekünk!  info@vaszkoshop.hu 

Rendelés módosítása munkanapokon 15:00-ig lehetséges!

Ügyfélszolgálat: 10:00-16:00-ig (munkanapokon)

Telefonon rendelést nem tudunk fogadni!

 

  • SZÁLLÍTÁSI INFORMÁCIÓK
  • GARANCIÁLIS FELTÉTELEK
  • Betonkeverő alkatrészek
    • AGRIMOTOR Betonkeverő alkatrészek
    • AL-KO Betonkeverő alkatrészek
    • ALTRAD Betonkeverő alkatrészek
    • LIMEX Betonkeverő alkatrészek
  • Permetező alkatrészek
    • AGRIMOTOR Permetező alkatrészek
    • BLACK & DECKER Permetező alkatrészek
    • CIFARELLI Permetező alkatrészek
    • SP-415 Hátipermetező alkatrészek
  • Gyepszellőztető alkatrészek
    • AL-KO Gyepszellőztető alkatrészek
    • BLACK & DECKER Gyepszellőztető alkatrészek
    • EINHELL Gyepszellőztető alkatrészek
    • MTD Gyepszellőztető alkatrészek
  • Láncfűrész láncok és vezetőlemezek
  • Kategóriák
    • Újdonságok
    • Akciók
    • STIHL AJÁNDÉKOK 22
    • HUSQVARNA AJÁNDÉKOK 7
    • CSOMAGBAN OLCSÓBB 54
    • Agrimotor termékek 7
    • Agrimotor alkatrészek 360
    • Altrad Betonkeverő alkatrészek 63
    • Limex Betonkeverő alkatrészek 32
    • Atika alkatrészek 6
    • AL-KO alkatrészek 1685
    • Briggs&Stratton alkatrészek 479
    • Black&Decker alkatrészek 418
    • Bosch alkatrészek 65
    • Castelgarden alkatrészek 220
    • Cifarelli permetező alkatrészek 48
    • CMI alkatrészek  20
    • Dewalt alkatrészek 17
    • Ducati MPM2 alkatrészek 39
    • EINHELL termékek 0
    • EINHELL alkatrészek 981
    • Elpumps Szivattyú alkatrészek 19
    • Flymo , Gardena alkatrészek 25
    • Fullas alkatrészek 24
    • Güde alkatrészek 116
    • Gumiáruk 110
    • Hecht alkatrészek 56
    • Honda alkatrészek 322
    • Husqvarna alkatrészek 1303
    • Kawasaki alkatrészek 59
    • Kärcher alkatrészek 25
    • Kínai Fűkasza alkatrészek 137
    • Kínai Láncfűrész alkatrészek 141
    • Kohler alkatrészek 35
    • Kress alkatrészek 10
    • Loncin alkatrészek 44
    • Lux Tools alkatrészek 99
    • Makita alkatrészek  350
    • Matricák 27
    • McCulloch , Partner alkatrész 1307
    • MTD alkatrészek 2091
    • NGP Fűnyírók  6
    • NGP alkatrészek 197
    • Murray alkatrészek 119
    • OETL OM 220 alkatrészek 23
    • Oleo-Mac alkatrészek 547
    • Pedrollo alkatrészek  32
    • Polymobil alkatrészek 202
    • Prima szivattyú alkatrészek 32
    • Rato motor alkatrészek 17
    • Riwall alkatrészek 160
    • Scheppach alkatrészek 99
    • Segédmotor alkatrészek 877
    • SP-415 Hátipermetező alkatrészek 87
    • Stiga alkatrészek 15
    • STIHL termékek 69
    • STIHL ALKATRÉSZEK 652
    • STIHL / VIKING alkatrészek 132
    • Szentkirály termékek 24
    • Tecumseh alkatrészek 110
    • TOMOS alkatrészek 130
    • Védőfelszerelések 26
    • Wacker , Weber , Robin alkatrészek 85
    • WOLF-Garten alkatrészek  41
    • Olajok-Zsírok-Gyertyák 112
    • KERTIGÉP ALKATRÉSZEK 7518
    • Kéziszerszámok - Barkács/Kerti 49
    • KERTIGÉP MOTOROK 53
  • Fűnyíró kések
  • Fűnyírótraktor alkatrészek
    • AL-KO Fűnyírótraktor alkatrészek
    • CASTELGARDEN Fűnyírótraktor alkatrészek
    • HUSQVARNA Fűnyírótraktor alkatrészek
    • MCCULLOCH/PARTNER Fűnyírótraktor alkatrészek
    • MTD Fűnyírótraktor alkatrészek
    • MURRAY Fűnyírótraktor alkatrészek
  • Fűnyíró alkatrészek
    • AGRIMOTOR Fűnyíró alkatrészek
    • AL-KO Fűnyíró alkatrészek
    • BLACK & DECKER Fűnyíró/Gyepszellőztető alkatrészek
    • CASTELGARDEN Fűnyíró alkatrészek
    • EINHELL Fűnyíró / Gyepszellőztető alkatrészek
    • HUSQVARNA Fűnyíró alkatrészek
    • MTD Fűnyíró alkatrészek
    • NGP Fűnyíró alkatrészek
    • OLEO-MAC Fűnyíró alkatrészek
    • PARTNER / MCCULLOCH Fűnyíró alkatrészek
  • Fűkasza alkatrészek
    • AL-KO Fűkasza alkatrészek
    • BLACK & DECKER Szegélynyíró alkatrészek
    • EINHELL Fűkasza és sövényvágó alkatrészek
    • HUSQVARNA Fűkasza alkatrészek
    • KÍNAI Fűkasza alkatrészek
    • MTD Fűkasza alkatrészek
    • OLEO-MAC Fűkasza alkatrészek
    • PARTNER / McCULLOCH Fűkasza alkatrészek
    • STIHL Fűkasza alkatrészek
  • Szivattyú alkatrészek
    • AL-KO Szivattyú alkatrészek
    • EINHELL Szivattyú alkatrészek
    • ELPUMPS Szivattyú alkatrészek
    • OLEO-MAC Szivattyú alkatrészek
    • PRÍMA Szivattyú alkatrészek
    • TOMOS Szivattyú alkatrészek
  • Láncfűrész alkatrészek
    • AL-KO Láncfűrész alkatrészek
    • BLACK & DECKER Láncfűrész alkatrészek
    • EINHELL Láncfűrész alkatrészek
    • HUSQVARNA Láncfűrész alkatrészek
    • KÍNAI Láncfűrész alkatrészek
    • MAKITA/DOLMAR Láncfűrész alkatrészek
    • MCCULLOCH/PARTNER Láncfűrész alkatrészek
    • MTD Láncfűrész alkatrészek
    • OLEO-MAC Láncfűrész alkatrészek
    • STIHL Láncfűrész alkatrészek
  • Kapálógép alkatrészek
    • AGRIMOTOR Kapálógép alkatrészek
    • MTD Kapálógép alkatrészek
    • KF-04, Robi, TOMOS, SZENTKIRÁLYI, Terra Kapálógép alkatrészek
  1. McCulloch , Partner Láncfűrész alkatrészek
  1. McCulloch , Partner alkatrész
  2. McCulloch , Partner Láncfűrész alkatrészek

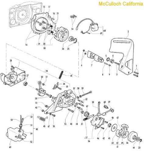
Berántó köröm McCulloch California 538

Cikkszám: 
KGA-L-0149
Berántó köröm McCulloch California 538
Berántó köröm McCulloch California 538
Berántó köröm McCulloch California 538
Berántó köröm McCulloch California 538
A gyártó megszüntette az alkatrész gyártását.
Már nem kapható !
2 000 Ft
Egységár: 1 000 Ft/db2
Nem vásárolható!

McCulloch California 538 láncfűrész berántó indító köröm

Gyári cikkszám: 538 23 55-17 , 538235517

MÁR NEM RENDELHETŐ! KIFUTOTT ALKATRÉSZ!

Csomagajánlatok
Adatok
Gyári cikkszám:
538 23 55-17
Minőség:
GYÁRI ALKATRÉSZ
Márka:
McCulloch
Vélemények
Legyen Ön az első, aki véleményt ír!
Véleményt írok
Oldaltérkép
  • Vaszkoshop.hu főoldal
  • Összes termékünk
Információk
  • Általános szerződési feltételek
  • Adatkezelési tájékoztató
  • Fizetés
  • Szállítás
  • Elérhetőségek
Információk
  • Általános szerződési feltételek
  • Adatkezelési tájékoztató
  • Fizetés
  • Szállítás
  • Elérhetőségek
  • TikTok

  • facebook

  • instagram

  • Youtube

Elérhetőség

 

  • 6900 Makó, Rákosi út 6.
  • +36-70/385-6997
  • info@vaszkoshop.hu
olcsobbat.hu
paypal
A kényelmes és biztonságos online fizetést a Barion Payment Zrt. biztosítja, MNB engedély száma: H-EN-I-1064/2013. Bankkártya adatai áruházunkhoz nem jutnak el.
  • Újdonságok
  • Akciók
  • STIHL AJÁNDÉKOK 22
  • HUSQVARNA AJÁNDÉKOK 7
  • CSOMAGBAN OLCSÓBB 54
  • Agrimotor termékek 7
  • Agrimotor alkatrészek 360
  • Altrad Betonkeverő alkatrészek 63
  • Limex Betonkeverő alkatrészek 32
  • Atika alkatrészek 6
  • AL-KO alkatrészek 1685
  • Briggs&Stratton alkatrészek 479
  • Black&Decker alkatrészek 418
  • Bosch alkatrészek 65
  • Castelgarden alkatrészek 220
  • Cifarelli permetező alkatrészek 48
  • CMI alkatrészek  20
  • Dewalt alkatrészek 17
  • Ducati MPM2 alkatrészek 39
  • EINHELL termékek 0
  • EINHELL alkatrészek 981
  • Elpumps Szivattyú alkatrészek 19
  • Flymo , Gardena alkatrészek 25
  • Fullas alkatrészek 24
  • Güde alkatrészek 116
  • Gumiáruk 110
  • Hecht alkatrészek 56
  • Honda alkatrészek 322
  • Husqvarna alkatrészek 1303
  • Kawasaki alkatrészek 59
  • Kärcher alkatrészek 25
  • Kínai Fűkasza alkatrészek 137
  • Kínai Láncfűrész alkatrészek 141
  • Kohler alkatrészek 35
  • Kress alkatrészek 10
  • Loncin alkatrészek 44
  • Lux Tools alkatrészek 99
  • Makita alkatrészek  350
  • Matricák 27
  • McCulloch , Partner alkatrész 1307
  • MTD alkatrészek 2091
  • NGP Fűnyírók  6
  • NGP alkatrészek 197
  • Murray alkatrészek 119
  • OETL OM 220 alkatrészek 23
  • Oleo-Mac alkatrészek 547
  • Pedrollo alkatrészek  32
  • Polymobil alkatrészek 202
  • Prima szivattyú alkatrészek 32
  • Rato motor alkatrészek 17
  • Riwall alkatrészek 160
  • Scheppach alkatrészek 99
  • Segédmotor alkatrészek 877
  • SP-415 Hátipermetező alkatrészek 87
  • Stiga alkatrészek 15
  • STIHL termékek 69
  • STIHL ALKATRÉSZEK 652
  • STIHL / VIKING alkatrészek 132
  • Szentkirály termékek 24
  • Tecumseh alkatrészek 110
  • TOMOS alkatrészek 130
  • Védőfelszerelések 26
  • Wacker , Weber , Robin alkatrészek 85
  • WOLF-Garten alkatrészek  41
  • Olajok-Zsírok-Gyertyák 112
  • KERTIGÉP ALKATRÉSZEK 7518
  • Kéziszerszámok - Barkács/Kerti 49
  • KERTIGÉP MOTOROK 53
  • Fűnyíró kések
  • Fűnyírótraktor alkatrészek
    Fűnyírótraktor alkatrészek
    • AL-KO Fűnyírótraktor alkatrészek
    • CASTELGARDEN Fűnyírótraktor alkatrészek
    • HUSQVARNA Fűnyírótraktor alkatrészek
    • MCCULLOCH/PARTNER Fűnyírótraktor alkatrészek
    • MTD Fűnyírótraktor alkatrészek
    • MURRAY Fűnyírótraktor alkatrészek
  • Fűnyíró alkatrészek
    Fűnyíró alkatrészek
    • AGRIMOTOR Fűnyíró alkatrészek
    • AL-KO Fűnyíró alkatrészek
    • BLACK & DECKER Fűnyíró/Gyepszellőztető alkatrészek
    • CASTELGARDEN Fűnyíró alkatrészek
    • EINHELL Fűnyíró / Gyepszellőztető alkatrészek
    • HUSQVARNA Fűnyíró alkatrészek
    • MTD Fűnyíró alkatrészek
      MTD Fűnyíró alkatrészek
      • MTD Benzines fűnyíró alkatrészek
      • MTD Elektromos fűnyíró alkatrészek
    • NGP Fűnyíró alkatrészek
    • OLEO-MAC Fűnyíró alkatrészek
    • PARTNER / MCCULLOCH Fűnyíró alkatrészek
  • Fűkasza alkatrészek
    Fűkasza alkatrészek
    • AL-KO Fűkasza alkatrészek
    • BLACK & DECKER Szegélynyíró alkatrészek
    • EINHELL Fűkasza és sövényvágó alkatrészek
    • HUSQVARNA Fűkasza alkatrészek
    • KÍNAI Fűkasza alkatrészek
    • MTD Fűkasza alkatrészek
    • OLEO-MAC Fűkasza alkatrészek
    • PARTNER / McCULLOCH Fűkasza alkatrészek
    • STIHL Fűkasza alkatrészek
  • Szivattyú alkatrészek
    Szivattyú alkatrészek
    • AL-KO Szivattyú alkatrészek
    • EINHELL Szivattyú alkatrészek
    • ELPUMPS Szivattyú alkatrészek
    • OLEO-MAC Szivattyú alkatrészek
    • PRÍMA Szivattyú alkatrészek
    • TOMOS Szivattyú alkatrészek
  • Láncfűrész alkatrészek
    Láncfűrész alkatrészek
    • AL-KO Láncfűrész alkatrészek
    • BLACK & DECKER Láncfűrész alkatrészek
    • EINHELL Láncfűrész alkatrészek
    • HUSQVARNA Láncfűrész alkatrészek
    • KÍNAI Láncfűrész alkatrészek
    • MAKITA/DOLMAR Láncfűrész alkatrészek
    • MCCULLOCH/PARTNER Láncfűrész alkatrészek
    • MTD Láncfűrész alkatrészek
      MTD Láncfűrész alkatrészek
      • MTD BENZINES Láncfűrész alkatrészek
      • MTD ELEKTROMOS Láncfűrész alkatrészek
    • OLEO-MAC Láncfűrész alkatrészek
    • STIHL Láncfűrész alkatrészek
  • Kapálógép alkatrészek
    Kapálógép alkatrészek
    • AGRIMOTOR Kapálógép alkatrészek
    • MTD Kapálógép alkatrészek
    • KF-04, Robi, TOMOS, SZENTKIRÁLYI, Terra Kapálógép alkatrészek
  • SZÁLLÍTÁSI INFORMÁCIÓK
  • GARANCIÁLIS FELTÉTELEK
  • Betonkeverő alkatrészek
    Betonkeverő alkatrészek
    • AGRIMOTOR Betonkeverő alkatrészek
    • AL-KO Betonkeverő alkatrészek
    • ALTRAD Betonkeverő alkatrészek
    • LIMEX Betonkeverő alkatrészek
  • Permetező alkatrészek
    Permetező alkatrészek
    • AGRIMOTOR Permetező alkatrészek
    • BLACK & DECKER Permetező alkatrészek
    • CIFARELLI Permetező alkatrészek
    • SP-415 Hátipermetező alkatrészek
  • Gyepszellőztető alkatrészek
    Gyepszellőztető alkatrészek
    • AL-KO Gyepszellőztető alkatrészek
    • BLACK & DECKER Gyepszellőztető alkatrészek
    • EINHELL Gyepszellőztető alkatrészek
    • MTD Gyepszellőztető alkatrészek
  • Láncfűrész láncok és vezetőlemezek
Belépés
Regisztráció
Adatkezelési beállítások
Weboldalunk az alapvető működéshez szükséges cookie-kat használ. Szélesebb körű funkcionalitáshoz (marketing, statisztika, személyre szabás) egyéb cookie-kat engedélyezhet. Részletesebb információkat az Adatkezelési tájékoztatóban talál.